Línea de Transformadores de Intensidad Serie BH
Los transformadores de corriente serie BH están diseñados para montajes en carril DIN o placa de fondo de tablero. Su función principal es reducir corrientes de red hasta 0.66kV a un estándar de 5A, permitiendo que instrumentos de medición y control operen de forma segura y con la máxima exactitud.
Diagramas Dimensionales (medidas en mm)
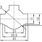
Diagrama B

Ventana Ø23 mm · Modelos BH-30I
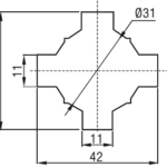
Diagrama C

Ventana Ø31 mm · Modelos BH-40I
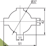
Diagrama D

Ventana Ø37 mm · Modelos BH-50I
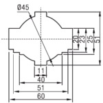
Diagrama E

Ventana Ø45 mm · Modelos BH-60I
Características de Construcción y Uso
- Material Ignífugo: Carcasa fabricada en policarbonato de alta resistencia térmica y mecánica.
- Montaje Flexible: Orificios laterales para fijación en barras colectoras y base para riel DIN.
- Protección de Terminales: Cubierta transparente de seguridad para evitar contactos accidentales.
- Bajo Coeficiente Térmico: Operación estable en un rango de -50°C a +40°C.
⚠️ ¿No sabés cuál elegir? En Bring Ingeniería calculamos la relación de transformación óptima y la precisión optima para tu aplicación e instrumentos.








